PS与PL协同设计实现GPIO
凉凉不冷 Lv4

FPGA学习.PART3

1. 概述

ZYNQ7的逻辑部分PL与处理器部分PS协同工作,才能体现其强大,

在本实例中将FPGA当作一个PS处理器的外设,通过寄存器地址映射到PS的寻址空间,

在处理器中使用C程序访问这些寄存器,来实现软件和逻辑结合的协同设计效果

2. 实验流程

2.1 新建Block Design

放入ZYNQ7处理器,并导入Zedboard配置,方法见Part2.

方法一:手动连接

本次实验中PS部分仅用到 UART1、FCLK_CLK0(配置为100M)、FCLK_RESET0、M_AXI_GP0_ACLK端口,

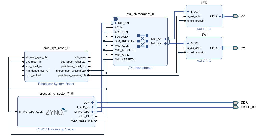
检采完毕后如下图所示:

ZYNQ7.png

之后搜索(快捷键Ctrl + I)复位模块(reset),如下图所示:

然后是interconnect模块,其功能是将多路的AXI接口转化为多路的AXI接口(多对多,也可以是一对多):

继续添加GPIO模块:

按照下图进行连线:

双击GPIO_1进行如下配置(设置为8位),此为LED寄存器

同理配置GPIO_0(输入8位)

选择GPIO的输出端口(右侧),右键进行拓展(Make External,快捷键Ctrl + T),此时已经布局完毕,右键选择 “Regenerate Layout” 重新进行布局

方法二:自动连接

Vivado具有自动连接并放置模块的功能,我们可以只调出两个GPIO模块并拓展其输出,点击工作区上方的 “Run Connection Automation”,选择全部模块点击“OK”,便会自动帮我们添加AXI总线(互联)以及复位模块等.

2.2 修改引脚约束

方法一:修改TOP使其与XDC一致

完成互联后,右键工程(位于Design Sources)选择“Create HDL Wrapper”,因为LED自动生成的引脚会造成 XDC文件(约束文件)与TOP 文件不一致,所以此时选择 “Copy generated wrapper to allow user edits” 以方便我们进行编辑;

生成Verilog文件后,我们可以将代码中的端口声明 led_tri_o 换为 LED,将 sw_tri_i 换为 SW(输入输出声明处保持一致)

在声明wire类型处,添加

1
2
assign LED = led_tri_o;
assign SW = sw_tri_i;

或是直接更改网络名称(就是代码最下面的那一块),最终代码如下:

1
2
3
4
5
6
7
8
9
10
11
12
13
14
15
16
17
18
19
20
21
22
23
24
25
26
27
28
29
30
31
32
33
34
35
36
37
38
39
40
41
42
43
44
45
46
47
48
49
50
51
52
53
54
55
56
57
58
59
60
61
62
63
64
65
66
67
68
69
70
71
72
73
74
75
76
77
78
79
80
81
82
83
84
85
86
87
88
89
90
91
92
93
94
95
96
97
98
99
100
101
module design_1_wrapper
(DDR_addr,
DDR_ba,
DDR_cas_n,
DDR_ck_n,
DDR_ck_p,
DDR_cke,
DDR_cs_n,
DDR_dm,
DDR_dq,
DDR_dqs_n,
DDR_dqs_p,
DDR_odt,
DDR_ras_n,
DDR_reset_n,
DDR_we_n,
FIXED_IO_ddr_vrn,
FIXED_IO_ddr_vrp,
FIXED_IO_mio,
FIXED_IO_ps_clk,
FIXED_IO_ps_porb,
FIXED_IO_ps_srstb,
LED,
SW);
inout [14:0]DDR_addr;
inout [2:0]DDR_ba;
inout DDR_cas_n;
inout DDR_ck_n;
inout DDR_ck_p;
inout DDR_cke;
inout DDR_cs_n;
inout [3:0]DDR_dm;
inout [31:0]DDR_dq;
inout [3:0]DDR_dqs_n;
inout [3:0]DDR_dqs_p;
inout DDR_odt;
inout DDR_ras_n;
inout DDR_reset_n;
inout DDR_we_n;
inout FIXED_IO_ddr_vrn;
inout FIXED_IO_ddr_vrp;
inout [53:0]FIXED_IO_mio;
inout FIXED_IO_ps_clk;
inout FIXED_IO_ps_porb;
inout FIXED_IO_ps_srstb;
output [7:0]LED;
input [7:0]SW;

wire [14:0]DDR_addr;
wire [2:0]DDR_ba;
wire DDR_cas_n;
wire DDR_ck_n;
wire DDR_ck_p;
wire DDR_cke;
wire DDR_cs_n;
wire [3:0]DDR_dm;
wire [31:0]DDR_dq;
wire [3:0]DDR_dqs_n;
wire [3:0]DDR_dqs_p;
wire DDR_odt;
wire DDR_ras_n;
wire DDR_reset_n;
wire DDR_we_n;
wire FIXED_IO_ddr_vrn;
wire FIXED_IO_ddr_vrp;
wire [53:0]FIXED_IO_mio;
wire FIXED_IO_ps_clk;
wire FIXED_IO_ps_porb;
wire FIXED_IO_ps_srstb;
/*
wire [7:0]led_tri_o;
wire [7:0]sw_tri_i;

assign LED = led_tri_o;
assign SW = sw_tri_i;
*/
design_1 design_1_i
(.DDR_addr(DDR_addr),
.DDR_ba(DDR_ba),
.DDR_cas_n(DDR_cas_n),
.DDR_ck_n(DDR_ck_n),
.DDR_ck_p(DDR_ck_p),
.DDR_cke(DDR_cke),
.DDR_cs_n(DDR_cs_n),
.DDR_dm(DDR_dm),
.DDR_dq(DDR_dq),
.DDR_dqs_n(DDR_dqs_n),
.DDR_dqs_p(DDR_dqs_p),
.DDR_odt(DDR_odt),
.DDR_ras_n(DDR_ras_n),
.DDR_reset_n(DDR_reset_n),
.DDR_we_n(DDR_we_n),
.FIXED_IO_ddr_vrn(FIXED_IO_ddr_vrn),
.FIXED_IO_ddr_vrp(FIXED_IO_ddr_vrp),
.FIXED_IO_mio(FIXED_IO_mio),
.FIXED_IO_ps_clk(FIXED_IO_ps_clk),
.FIXED_IO_ps_porb(FIXED_IO_ps_porb),
.FIXED_IO_ps_srstb(FIXED_IO_ps_srstb),
.led_tri_o(LED),
.sw_tri_i(SW));
endmodule

修改完毕后即可保存生成比特流文件,但若这个顶层是自动生成的,则每次生成HDL Warpper的时候,都会被覆盖掉(若选择不覆盖则修改的内容无法更新),所以存在较大缺陷,这种情况下的约束文件内容为:(添加方式见Part1

1
2
3
4
5
6
7
8
9
10
11
12
13
14
15
16
17
18
19
20
21
22
23
24
25
26
27
28
29
30
31
32
33
34
35
set_property PACKAGE_PIN T22  [get_ports {LED[0]}]
set_property IOSTANDARD LVCMOS33 [get_ports {LED[0]}]

set_property PACKAGE_PIN T21 [get_ports {LED[1]}]
set_property IOSTANDARD LVCMOS33 [get_ports {LED[1]}]
set_property PACKAGE_PIN U22 [get_ports {LED[2]}]
set_property IOSTANDARD LVCMOS33 [get_ports {LED[2]}]
set_property PACKAGE_PIN U21 [get_ports {LED[3]}]
set_property IOSTANDARD LVCMOS33 [get_ports {LED[3]}]
set_property PACKAGE_PIN V22 [get_ports {LED[4]}]
set_property IOSTANDARD LVCMOS33 [get_ports {LED[4]}]
set_property PACKAGE_PIN W22 [get_ports {LED[5]}]
set_property IOSTANDARD LVCMOS33 [get_ports {LED[5]}]
set_property PACKAGE_PIN U19 [get_ports {LED[6]}]
set_property IOSTANDARD LVCMOS33 [get_ports {LED[6]}]
set_property PACKAGE_PIN U14 [get_ports {LED[7]}]
set_property IOSTANDARD LVCMOS33 [get_ports {LED[7]}]


set_property PACKAGE_PIN F22 [get_ports {SW[0]}]
set_property IOSTANDARD LVCMOS33 [get_ports {SW[0]}]
set_property PACKAGE_PIN G22 [get_ports {SW[1]}]
set_property IOSTANDARD LVCMOS33 [get_ports {SW[1]}]
set_property PACKAGE_PIN H22 [get_ports {SW[2]}]
set_property IOSTANDARD LVCMOS33 [get_ports {SW[2]}]
set_property PACKAGE_PIN F21 [get_ports {SW[3]}]
set_property IOSTANDARD LVCMOS33 [get_ports {SW[3]}]
set_property PACKAGE_PIN H19 [get_ports {SW[4]}]
set_property IOSTANDARD LVCMOS33 [get_ports {SW[4]}]
set_property PACKAGE_PIN H18 [get_ports {SW[5]}]
set_property IOSTANDARD LVCMOS33 [get_ports {SW[5]}]
set_property PACKAGE_PIN H17 [get_ports {SW[6]}]
set_property IOSTANDARD LVCMOS33 [get_ports {SW[6]}]
set_property PACKAGE_PIN M15 [get_ports {SW[7]}]
set_property IOSTANDARD LVCMOS33 [get_ports {SW[7]}]

方法二:修改XDC使其与TOP一致

完成互联后,右键工程(位于Design Sources)选择“Create HDL Wrapper”,选择下方的 “Let Vivado manage wrapper and auto-update”,这样选择以后修改HDL Warpper的操作是无效的,

我们可以将约束文件中的 LED 全部替换为 led_tri_o,约束文件如下:

1
2
3
4
5
6
7
8
9
10
11
12
13
14
15
16
17
18
19
20
21
22
23
24
25
26
27
28
29
30
31
32
33
34
35
set_property PACKAGE_PIN T22  [get_ports {led_tri_o[0]}]
set_property IOSTANDARD LVCMOS33 [get_ports {led_tri_o[0]}]

set_property PACKAGE_PIN T21 [get_ports {led_tri_o[1]}]
set_property IOSTANDARD LVCMOS33 [get_ports {led_tri_o[1]}]
set_property PACKAGE_PIN U22 [get_ports {led_tri_o[2]}]
set_property IOSTANDARD LVCMOS33 [get_ports {led_tri_o[2]}]
set_property PACKAGE_PIN U21 [get_ports {led_tri_o[3]}]
set_property IOSTANDARD LVCMOS33 [get_ports {led_tri_o[3]}]
set_property PACKAGE_PIN V22 [get_ports {led_tri_o[4]}]
set_property IOSTANDARD LVCMOS33 [get_ports {led_tri_o[4]}]
set_property PACKAGE_PIN W22 [get_ports {led_tri_o[5]}]
set_property IOSTANDARD LVCMOS33 [get_ports {led_tri_o[5]}]
set_property PACKAGE_PIN U19 [get_ports {led_tri_o[6]}]
set_property IOSTANDARD LVCMOS33 [get_ports {led_tri_o[6]}]
set_property PACKAGE_PIN U14 [get_ports {led_tri_o[7]}]
set_property IOSTANDARD LVCMOS33 [get_ports {led_tri_o[7]}]


set_property PACKAGE_PIN F22 [get_ports {sw_tri_i[0]}]
set_property IOSTANDARD LVCMOS33 [get_ports {sw_tri_i[0]}]
set_property PACKAGE_PIN G22 [get_ports {sw_tri_i[1]}]
set_property IOSTANDARD LVCMOS33 [get_ports {sw_tri_i[1]}]
set_property PACKAGE_PIN H22 [get_ports {sw_tri_i[2]}]
set_property IOSTANDARD LVCMOS33 [get_ports {sw_tri_i[2]}]
set_property PACKAGE_PIN F21 [get_ports {sw_tri_i[3]}]
set_property IOSTANDARD LVCMOS33 [get_ports {sw_tri_i[3]}]
set_property PACKAGE_PIN H19 [get_ports {sw_tri_i[4]}]
set_property IOSTANDARD LVCMOS33 [get_ports {sw_tri_i[4]}]
set_property PACKAGE_PIN H18 [get_ports {sw_tri_i[5]}]
set_property IOSTANDARD LVCMOS33 [get_ports {sw_tri_i[5]}]
set_property PACKAGE_PIN H17 [get_ports {sw_tri_i[6]}]
set_property IOSTANDARD LVCMOS33 [get_ports {sw_tri_i[6]}]
set_property PACKAGE_PIN M15 [get_ports {sw_tri_i[7]}]
set_property IOSTANDARD LVCMOS33 [get_ports {sw_tri_i[7]}]

SW全部替换为 sw_tri_i即可得到正确的比特流文件,如果报错的话,可以在“Sources Design” 右键选择 “Generate output products”

2.3 地址映射

FPGA要控制外设需要通过寄存器,寄存器需要映射入FPGA的寻址地址,若在“Address Editor”中没有自动关联,可以右键选中后点击“Assign Address”.

完成后返回“Sources Design” 右键选择 “Generate output products”,然后生成比特流文件,

生成完毕后不需要进行操作,可以选择 “View Reports”

2.4 SDK开发

“Export Hardware”“Launch SDK”

可以从图中看出,LED与SW的地址与我们映射的地址是保持一致的.

我们需要新建一个 “Application Project”,选项为 “Perihperal Tests” 以进行外设测试,

如下图所示:

点击左侧工作区中项目的 “src -> trestperiph.c” 对c文件进行编辑,

仅需要保留GpioInput与GpioOutput相关代码,

进入Gpio的函数中可以看到,输入状态时要在寄存器中全部置0,

GPIO的框图设计如下:

可以看出其三态门的架构,当寄存器中全部置1时,三态门为输入模式,而当寄存器被清空全部为0时,三态门为输出模式(看数据手册再结合实验收获满满),LED的基地址存储在一个查找表的结构体中,在xparameters.h文件中进行了定义:

1
#define XPAR_LED_BASEADDR 0x41210000

然后再将其写入GpioOutput中.

我们需要进行的操作是,写LED灯,读拨码开关.

寄存器地址如图所示:

由于已经在框图中设置了led为输出,sw为输出,所以不需要再配置GPIO_TRI的方向,

所以我们只需要将读到的拨码开关的寄存器写入LED的寄存器中,

通过指针来读取地址:(volatile意思是防止指针被优化)

1
( volatile unsigned int * )0x4121000

又要从地址中取数所以取其指针:(SW同理)

1
( * ( volatile unsigned int * )0x4121000)

所以可以将main函数进行修改:(注意地址为八位不要少写0,0少写了也会读不出来)

1
2
3
4
5
6
7
8
9
10
#define LED (*( volatile unsigned int * )0x41210000) //volatile为防止优化,
#define SW (*( volatile unsigned int * )0x41200000) //volatile为防止优化
int main()
{
while(1)
{
LED = SW;
}
return 0;
}

2.5 烧录

在保存后(会自动进行编译),

在终端页面添加串口后可以保存文件并准备烧录(Program FPGA),操作见Part2.

由于此次时PS与PL相互协作完成,所以在Program时需要选择比特流文件的地址,如下图

下载完毕后即可进行调试,右键工程 “ Run as -> Launch on Hardware(GDB)

2.6 运行结果

运行结果是符合预期的,就是拍视频的时候一只手不太方便有点点遮挡视线…不过现象还是比较明显的.

折腾了一天终于搞出来了…接下来几天搞电赛培训了,还有卡了我好几天的Dijkstra算法…(准备好删除重开了),事情好多…明天写篇近况理一下…

 Comments